¥10.00
推荐等级:A.电压源发出功事20W,电流源吸收功率20W
B.电压源吸收功率20W,电流源发出功率20W
C.电压源发出功率20W,电流源未定
D.电流源发出功率20W,电压源未定
开始考试练习点击查看答案A.电流源发出功率20W,电阻吸收功率20W。
B.电流源吸收功率20W,电阻发出功率20W。
C.电流源发出功率0.8W,电阻吸收功率0.8W。
D.电流源功吸收率0.8W,电阻发出功率0.8W。
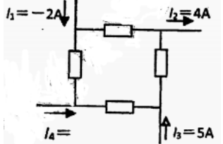
开始考试练习点击查看答案直流电路如图求=()。
A.3A
B.2A
C.1A
D.5A
开始考试练习点击查看答案A.越大
B.越小
C.不能确定
开始考试练习点击查看答案A.20,4
B.20,6
C.16,4
D.16,6
开始考试练习点击查看答案A.8
B.10W
C.15W
D.20W
开始考试练习点击查看答案A.高于
B.低于
C.等于
D.不确定
开始考试练习点击查看答案图所示电路中,R=4Ω,=3A,电流源发出(产生)的功率P为()。
A.108W
B.36W
C.-729
D.-36W
开始考试练习点击查看答案A.吸收(即消耗)
B.发出(即产生)
C.时发时吸
D.不发不吸
开始考试练习点击查看答案A.、
都发出功率
B.、
都吸收功率
C.发出功率,
不一定
D.发出功率,
不一定
国家电网考试专科高电压:高电压下气体、液体固体放电原理2
类别:高电压技术国家电网考试专科高电压:电气设备绝缘试验2
类别:高电压技术国家电网考试专科高电压:电介质的极化、电导和损耗
类别:高电压技术国家电网考试专科高电压:气体放电过程及其击穿特性
类别:高电压技术国家电网考试专科高电压:固体、液体和组合绝缘的击穿特性
类别:高电压技术国家电网考试专科高电压:电气设备的绝缘试验
类别:高电压技术国家电网考试专科高电压:线路和绕组中的波过程
类别:高电压技术国家电网考试专科高电压:雷电及防雷装置
类别:高电压技术国家电网考试专科高电压:电力系统的防雷保护
类别:高电压技术国家电网考试专科高电压:电力系统内部过电压
类别:高电压技术长理培训客户端 资讯,试题,视频一手掌握
去 App Store 免费下载 iOS 客户端