¥10.00
推荐等级:A.网孔电流是假想电流
B.回路电流不是偁想电流
C.回路电流法只适用于平面电路
D.网孔电流法适用于回路多的电路
开始考试练习点击查看答案下图所示电路中,网孔1的电流方程为()。
A.-
=5
B.+
=5
C.+
=-5
D.-
=-5
图示电路中节点a的节点方程为()。
A.1.7=7
B.2.7=7
C.=-7
D.=-6
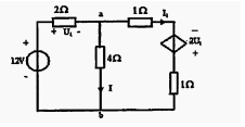
图示电压U为()。
A.
B.
C.
D.
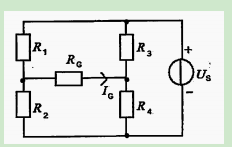
用网孔分析法求图示电路中的电流I时,所列出的网孔方程正确的是(〉。
A.
B.
C.
D.
图示电路中,如采用节点电压法求解,并设6点为参考点,下列方程式正确的是()。
A.
B.
C.
D.
A.回路电流法列写的是KVL方程
B.回路电流法自动满足KCL方程
C.结点电压法列写的是KCL方程
D.结点电压法自动满足KCL方程
开始考试练习点击查看答案下图所示电路中,如果把每个元件作为一条支路处理,则独立的KCL和KVL方程数分别为()。
A.6和6
B.4和5
C.6和5
D.4和6
开始考试练习点击查看答案下图所示电路中,如果把电压源(独立或受控)和电阻的串联组合.电流源和电阻的并联组合作为一条支路处理,则独立的KCL和KVL方程数分别为()。
A.6和6
B.4和5
C.4和6
D.5和6
开始考试练习点击查看答案下图所示电路中,各电阻值和值均己知。欲用支路电流法求解流过电阻心的电流需列出独立的KCL和方程数分别为()。
A.4和3
B.3和3
C.3和4
D.4和4
开始考试练习点击查看答案国家电网考试专科高电压:高电压下气体、液体固体放电原理2
类别:高电压技术国家电网考试专科高电压:电气设备绝缘试验2
类别:高电压技术国家电网考试专科高电压:电介质的极化、电导和损耗
类别:高电压技术国家电网考试专科高电压:气体放电过程及其击穿特性
类别:高电压技术国家电网考试专科高电压:固体、液体和组合绝缘的击穿特性
类别:高电压技术国家电网考试专科高电压:电气设备的绝缘试验
类别:高电压技术国家电网考试专科高电压:线路和绕组中的波过程
类别:高电压技术国家电网考试专科高电压:雷电及防雷装置
类别:高电压技术国家电网考试专科高电压:电力系统的防雷保护
类别:高电压技术国家电网考试专科高电压:电力系统内部过电压
类别:高电压技术长理培训客户端 资讯,试题,视频一手掌握
去 App Store 免费下载 iOS 客户端