¥60.00
推荐等级:A.计算各节点电压和各支路中的功率及功率损耗
B.计算电网中的电压损耗和功率损耗
C.计算发电机功率、机端电压以及输电线路的功率
D.计算电源母线电压和输电线路的功率损耗
开始考试练习点击查看答案A.变比误差
B.负荷误差
C.电流比误差
D.相角误差
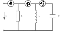
开始考试练习点击查看答案A.14A; 10A
B.0A; 10A
C.10A; 10A
D.10A; 0A
开始考试练习点击查看答案A.两侧发信机都继续发信
B.远故障点一侧转发允许信号
C.近故障点一侧继续发信
D.两侧发信机立即停止发信
开始考试练习点击查看答案A.高阻抗,高阻抗
B.低阻抗,低阻抗
C.低阻抗,高阻抗
D.高阻抗,低阻抗
开始考试练习点击查看答案A.10米
B.15 米
C.3米
D.5米
开始考试练习点击查看答案A.1000r/min
B.4500r/min
C.3000r/min
D.1500r/min
开始考试练习点击查看答案A.I = Iy
B.I=Iy/
C.I= 3Iy
D.I=Iy/3
开始考试练习点击查看答案A.多雷区
B.强雷区
C.少雷区
D.中雷区
开始考试练习点击查看答案A.远小于1
B.不确定
C.远大于1
D.约等于1
开始考试练习点击查看答案长理培训客户端 资讯,试题,视频一手掌握
去 App Store 免费下载 iOS 客户端