¥60.00
推荐等级:A.在线监测
B.自动重合闸
C.后备保护
D.人工监护
开始考试练习点击查看答案A.由高斯定理得出的麦克斯韦第三微分方程
B.由库伦定律得出的麦克斯韦第四微分方程
C.由全电流定理得出的麦克斯韦第一微分方程
D.由法拉利电磁感应定律推广得到的麦克斯韦第二微分方程
开始考试练习点击查看答案A.电力网络中有功损耗最小
B.母线电压合格率最高
C.所有发电厂消耗的一次能源总量最少
D.新能源(风力,太阳能)发电比例最高
开始考试练习点击查看答案A.
B.
C.
D.
A.
B.
C.
D.
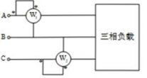
A.A相电压
B.B相电压
C.BC 线电压
D.AB 线电压
开始考试练习点击查看答案A.5.77
B.17.32
C.10
D.8.66
开始考试练习点击查看答案A.纤维杂质含量
B.含水量
C.油压
D.局部过热或局部放电
开始考试练习点击查看答案A.零功率因数特性和空载特性
B.零功率因数特性和调整特性
C.调整特性和空载特性
D.短路特性和调整特性
开始考试练习点击查看答案A.1
B.4
C.10
D.30
开始考试练习点击查看答案长理培训客户端 资讯,试题,视频一手掌握
去 App Store 免费下载 iOS 客户端