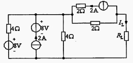
¥10.00
推荐等级:A.3A
B.4A
C.5A
D.7A
开始考试练习点击查看答案A.6sin(ωt-143.1°)V
B.6sin(ωt-126.9°)V
C.6sin(ωt+36.9°)V
D.8sin(ωt-53.1°)V
开始考试练习点击查看答案A.正确
B.错误
开始考试练习点击查看答案A.正确
B.错误
开始考试练习点击查看答案A.将三角形负载和电源均变换为星形
B.将星形负载和电源均变换为三角形
C.用短路线连接所有中性点,画出一相等效电路进行计算
D.根据对称性推算其他两相电压和电流
开始考试练习点击查看答案A.电路结构
B.外施激励
C.电路参数
D.动作时间
开始考试练习点击查看答案A.减少
B.增加
C.不变
D.不定
开始考试练习点击查看答案A.仅适用于线性电路,不适用于非线性电路
B.仅适用于线性电路的电压、电流计算
C.对于不作用的电流源可用短路替代,不作用的电压源可用开路替代
D.对于不作用的电流源可用开路替代,不作用的电压源可用短路替代
开始考试练习点击查看答案A.0.5A
B.2A
C.1A
D.3A
开始考试练习点击查看答案A.正确
B.错误
开始考试练习点击查看答案长理培训客户端 资讯,试题,视频一手掌握
去 App Store 免费下载 iOS 客户端