¥10.00
推荐等级:A.应用基尔霍夫定律列写方程时,要参照参考方向
B.电压和电流计算结果得负值,说明它们的参考方向假设反了
C.理想电压源和理想电流源不可以等效互换
D.两个电路等效,即它们无论内部还是外部都相同
开始考试练习点击查看答案A.非线性元件
B.线性元件
C.时变元件
D.无源元件
开始考试练习点击查看答案A.一定为正值
B.一定为负值
C.不能肯定是正值或负值
D.可能为负值
开始考试练习点击查看答案A.由高电位端指向低电位端
B.由低电位端指向高电位端
C.与电动势的方向相同
D.与电流的方向一样
开始考试练习点击查看答案A.无源元件
B.有源元件
C.耗能元件
D.非能元件
开始考试练习点击查看答案
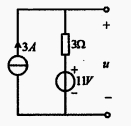
A.u=3i-2
B.u=3i+2
C.u=-3i+2
D.u=-3i-2
开始考试练习点击查看答案
A.0、3.6
B.-2、0、4
C.0、6.6
D.0、4.12
开始考试练习点击查看答案
,电流
和
分别( )。
A.1A、3A
B.3A、1A
C.1A、2A
D.2A、1A
开始考试练习点击查看答案
A.9V
B.-9V
C.7V
D.-7V
开始考试练习点击查看答案
A.2V
B.-2V
C.-20V
D.20V
开始考试练习点击查看答案第八章 电力系统稳定性分析(暑假班1)
类别:电分课后习题第七章 电力习题简单故障分析与计算(暑假班2)
类别:电分课后习题第七章 电力习题简单故障分析与计算(暑假班1)
类别:电分课后习题第六章 电力系统故障的基本概念(暑假班2)
类别:电分课后习题第六章 电力系统故障的基本概念(暑假班1)
类别:电分课后习题第五章 电力系统无功功率和电压调整(暑假班2)
类别:电分课后习题第五章 电力系统无功功率和电压调整(暑假班1)
类别:电分课后习题第四章 电力系统有功功率和频率调整(暑假班2)
类别:电分课后习题第四章 电力系统有功功率和频率调整(暑假班1)
类别:电分课后习题第三章 电力系统潮流分析与计算(暑假班2)
类别:电分课后习题长理培训客户端 资讯,试题,视频一手掌握
去 App Store 免费下载 iOS 客户端