¥10.00
推荐等级:A.增大
B.减小
C.不变
D.无影响
开始考试练习点击查看答案
A.0.6
B.0.8
C.0.7
D.0.9
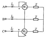
开始考试练习点击查看答案A.无穷大
B.0A
C.380/3|Z|A
D.660/3|Z|A
开始考试练习点击查看答案
A.10A
B.20A
C.30A
D.40A
开始考试练习点击查看答案
A.100√3W
B.200√3W
C.300√3W
D.400√3W
开始考试练习点击查看答案
A.-9kVar
B.9kVar
C.150kVar
D.-150kVar
开始考试练习点击查看答案
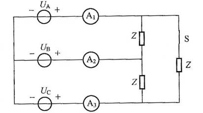
A.15A,0,15A,4.5Kw
B.25.95A,0,25.95A,2.25kW
C.25.95A,0,25.95A,3kW
D.15A,0,15A,2.25kW
开始考试练习点击查看答案
A.√2∠45°A
B.√2∠-45°A
C.√6/6∠-15°A
D.√6/6∠15°A
开始考试练习点击查看答案A.√3/3(√3-j1)
B.2√3/3(√3+j1)
C.2√3/3(√3-j1) D√3/3(√3+j1)
开始考试练习点击查看答案
A.1A
B.√3/2A
C.√1.5A
D.0.5A
开始考试练习点击查看答案第八章 电力系统稳定性分析(暑假班1)
类别:电分课后习题第七章 电力习题简单故障分析与计算(暑假班2)
类别:电分课后习题第七章 电力习题简单故障分析与计算(暑假班1)
类别:电分课后习题第六章 电力系统故障的基本概念(暑假班2)
类别:电分课后习题第六章 电力系统故障的基本概念(暑假班1)
类别:电分课后习题第五章 电力系统无功功率和电压调整(暑假班2)
类别:电分课后习题第五章 电力系统无功功率和电压调整(暑假班1)
类别:电分课后习题第四章 电力系统有功功率和频率调整(暑假班2)
类别:电分课后习题第四章 电力系统有功功率和频率调整(暑假班1)
类别:电分课后习题第三章 电力系统潮流分析与计算(暑假班2)
类别:电分课后习题长理培训客户端 资讯,试题,视频一手掌握
去 App Store 免费下载 iOS 客户端