¥10.00
推荐等级:A.非线性元件
B.有源元件
C.时变元件
D.无源元件
开始考试练习点击查看答案A.分布参数
B.时不变
C.交流
D.集总参数
开始考试练习点击查看答案A.电流参考方向与电压参考方向一致
B.电流参考方向与电压参考方向相反
C.电流参考方向与电压实际方向一致
D.电流参考方向与电压实际方向相反
开始考试练习点击查看答案
A.电压源发出功率
B.电流源发出功率
C.电压源和电流源都不发出功率
D.不确定
开始考试练习点击查看答案
A.9.6W
B.-9.6W
C.2.4W
D.-2.4W
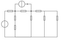
开始考试练习点击查看答案A.n,b
B.b-n+1,n+1
C.n-1,b-1
D.n-1,b-n+1
开始考试练习点击查看答案
A.2V
B.4V
C.6V
D.8V
开始考试练习点击查看答案
A.6A
B.1A
C.3A
D.-3A
开始考试练习点击查看答案
A.1A
B.4A
C.2A
D.1.33A
开始考试练习点击查看答案
A.3个
B.4个
C.5个
D.6个
开始考试练习点击查看答案长理培训客户端 资讯,试题,视频一手掌握
去 App Store 免费下载 iOS 客户端