¥100.00
推荐等级:A.频率和电压
B.电流和电压
C.电流和频率
D.电流和磁极
开始考试练习点击查看答案A.灵敏度高,几乎不受负荷电流影响
B.受系统运行方式变化影响较小
C.出口短路“无死区”
D.零序过电流保护的延时比相间过电流保护的延时长
开始考试练习点击查看答案A.线路流向母线,与非故障线路相同
B.母线流向线路,与非故障线路相反
C.母线流向线路,与非故障线路相同
D.线路流向母线,与非故障线路相反
开始考试练习点击查看答案A.晶闸管的触发角大于电路的功率因数角时,晶闸管的导通角小于180度
B.晶闸管的触发角小于电路的功率因数角时,必须加宽脉冲或脉冲列触发,电路才能正常工作
C.晶闸管的触发角大于电路的功率因数角时,晶闸管的导通角为180-α+φ
D.晶闸管的触发角等于电路的功率因数角时,晶闸管的导通角不为180度
开始考试练习点击查看答案A.高
B.低
C.相同
D.不确定
开始考试练习点击查看答案A.先断开出线侧隔离开关,再断开母线侧隔离开关
B.先断开母线侧隔离开关,再断开出线侧隔离开关
C.两侧隔离开关同时断开
D.以上三种方式都可以
开始考试练习点击查看答案A.操作过电压
B.大气过电压
C.工频过电压
D.谐振过电压
开始考试练习点击查看答案
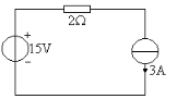
(每题0.5 分)(0.5)A.27
B.-27
C.51
D.-51
开始考试练习点击查看答案A.方程数少
B.迭代次数少
C.准确
D.占用内存少
开始考试练习点击查看答案A.等网损微增率准则
B.等耗量微增率
C.耗量微增率
D.耗量特性
开始考试练习点击查看答案长理培训客户端 资讯,试题,视频一手掌握
去 App Store 免费下载 iOS 客户端