¥100.00
推荐等级:
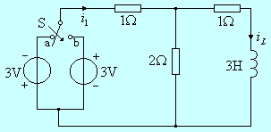
时刻从
掷向
,开关动作前电路已处于稳态。下列选项错误的是( )。
(每题0.5分)(0.5)A.
B.
C.
D.
A.等耗量微增率准则
B.等面积定则
C.小干扰法
D.对称分量法
开始考试练习点击查看答案A.使距离继电器的测量阻抗减小,保护范围增大
B.使距离继电器的测量阻抗增大,保护范围减小
C.使距离继电器的测量阻抗增大,保护范围增大
D.使距离继电器的测量阻抗减小,保护范围减小
开始考试练习点击查看答案A.当故障切除角大于极限切除角,系统稳定
B.当加速面积小于最大减速面积,系统稳定
C.当故障切除时间小于极限切除时间,系统稳定
D.当保护动作时间等于故障极限切除时间,系统处于稳定与不稳定的临界状态
开始考试练习点击查看答案A.正确初值要求低
B.占用内存少
C.收敛性好,计算速度快
D.复杂
开始考试练习点击查看答案A.泄漏电流
B.机械拉伸强度
C.介质损耗角正切值(tanδ)
D.颜色变化
开始考试练习点击查看答案A.1600Hz,0.625ms
B.320Hz,3.125ms
C.600Hz,1.67ms
D.3200Hz,0.3125ms
开始考试练习点击查看答案A.大
B.小
C.等于1
D.无关
开始考试练习点击查看答案A.大差动的作用是判断哪条母线有故障
B.小差动的作用是判断故障是否在母线上
C.当元件固定连接被破坏时,大差动依然可以正确动作
D.当元件固定连接被破坏时,小差动依然可以正确动作
开始考试练习点击查看答案A.升高
B.降低
C.不变
D.波动
开始考试练习点击查看答案长理培训客户端 资讯,试题,视频一手掌握
去 App Store 免费下载 iOS 客户端