¥5.00
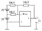
推荐等级:A.线性区
B.饱和区
C.截止区
D.不确定
开始考试练习点击查看答案A.开环电压放大倍数无穷大
B.差模输入电阻无穷大
C.开环输出电阻无穷大
D.共模抑制比无穷大
开始考试练习点击查看答案A.
B.
C.
D.
A.提高电压放大倍数
B.提高输入电阻
C.提高输出电阻
D.抑制零点漂移
开始考试练习点击查看答案A.电感元件
B.电容元件
C.电阻元件
D.不能确定
开始考试练习点击查看答案A.U1
B.U2
C.U3
D.U4
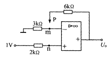
开始考试练习点击查看答案A.接n点
B.接地
C.悬空
D.接m点
开始考试练习点击查看答案