A.3A
B.2A
C.1A
D.4A
下图所示电路中,电流I是()A。
A.3
B.0C.6D.8
开始考试点击查看答案下图所示电路中电流I为()A。
A.3
B.4.5
C.6
D.8
开始考试点击查看答案
=12V,
=1A。k.B两点间的电压l/仙为()V。
A.-18
B.18
C.-6
D.6
开始考试点击查看答案
为0.4Ω,外电路电阻R为9.6Ω,则电源内阻上的电压降
和端电压U的值符合下列选项()。A.0.8Vf2V
B.0.1V,2.27
C.0.127,2.887
D.0.15V,3.12V
开始考试点击查看答案下图所示电路,己知左图中
=4V,
=2A,用右图所示理想电流源等效代替,该等效电流源的参数为()。
A.6A
B.2A
C.-2A
D.-6A
开始考试点击查看答案下图所示电路中电压U等于()。
A.3V
B.4V
C.5V
D.9V
开始考试点击查看答案下图所示电路中,当
増加时,电压I将()。
A.变大
B.变小
C.不变
D.无法判断
开始考试点击查看答案下图所示电路中,己知:US=2V,IS=2A。电流I为()A。
A.2
B.-2
C.-4
D.4
开始考试点击查看答案A.0.5R
B.1R
C.1.5R
D.2R
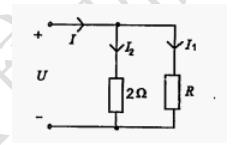
开始考试点击查看答案在下图所示电路中,电源电压U=若使电流I=3A,电阻R值为()Ω。
A.1
B.2
C.3
D.4
开始考试点击查看答案长理培训客户端 资讯,试题,视频一手掌握
去 App Store 免费下载 iOS 客户端