¥10.00
推荐等级:已知t=0时合上开关K,换路后的电容电压为()。
A.=(2-0.667)
B.=0.667+(2-0.667)
C.=0.667+(2-0.667)
D.=(2-0.667)
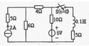
下图电路中,开关闭合前处于稳态,t←0时将开关闭合,开关闭合后的为()。
A.=5(1+
)A
B.=3(1+
)A
C.=5(1+
)A
D.=5
A
A.0.0001F
B.0.001F
C.0.01F
D.0.2F
开始考试练习点击查看答案电路如图所示,求电路的时间常数τ为()。
A.1/150s
B.1/100s
C.1/50s
D.1s
开始考试练习点击查看答案A.
B.
C.
D.
A.电容电压=0V或电感电压
=0V,且电路有外加激励作用
B.电容电流=0A或电感电压
=0V,且电路无外加激励作用
C.电容电流=0A或电感电流
=0A,且电路有外加激励作用
D.电容电压=0V或电感电流
=0A,且电路有外加激励作用
A.容电压≠0V或电感电压
≠0V,且电路有外加激励作用
B.电容电流≠0A或电感电压
≠0V,且电路无外加激励作用
C.电容电流≠0A或电感电流
≠0A,且电路有外加激励作用
D.电容电压≠0V或电感电
≠0A,且电路无外加激励作用
A.容电压≠0V或电感电压
≠0V,且电路有外加激励作用
B.电容电流≠0A或电感电压
≠0V,且电路无外加激励作用
C.电容电流≠0A或电感电流
≠0A,且电路有外加激励作用
D.电容电压≠0V或电感电
≠0A,且电路无外加激励作用
A.RC、R/L
B.RC、L/R
C.C/R、L/R
D.C/R、R/L
开始考试练习点击查看答案图示电路原已稳定,t=0闭合开关,t>0的电容电压的大小为()。
A.1V
B.2V2
C.3VD
D.4V
开始考试练习点击查看答案长理培训客户端 资讯,试题,视频一手掌握
去 App Store 免费下载 iOS 客户端