¥10.00
推荐等级:A.5V
B.7V
C.13V
D.19V
开始考试练习点击查看答案A.永远正确
B.在电压、电流为关联参考方向的前提下才成立
C.与参考方向无关
D.与频率有关
开始考试练习点击查看答案在如图所示电路中,则电路性质为性质为()
A.感性的
B.容性的
C.电阻性的
D.无法确定
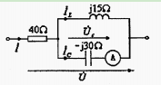
开始考试练习点击查看答案如图所示电路,有一个纯电容电路,其容抗大小为,若将一纯电感并接在电容两端,电源电压不变,则电流表的读数也不变,问并联电感的感抗为多少()
A.
B./2
C.2
D.3
A.100V,A
B.100V,
A
C.100V,2A
D.100V,2
A
在如图所示正弦稳态电路中,电流表的读数为1A,u的有效值为(),i的有效值为()
A.50VA
B.50V
A
C.50V1A
D.50V
A
A.F=0.52∠36.32
B.F=0.52∠216.32
C.F=5∠216.32
D.F=3∠36.32
开始考试练习点击查看答案A.F=7+11j
B.F=7-11j
C.F=-11+7j
D.F=-11-7j
开始考试练习点击查看答案A.F=-8+4j
B.F-=-10j
C.F=-8-4j
D.F=10j
开始考试练习点击查看答案A.根本不可能
B.电容、电感为非线性元件时
C.电感电流和电压,电容电流和电压为非关联参考方向时
D.任意时刻
开始考试练习点击查看答案长理培训客户端 资讯,试题,视频一手掌握
去 App Store 免费下载 iOS 客户端