A.0.1A
B.0.05A
C.0A
D.-0.1A
则电容电压的零输入响应为()。A.
B.8
C.
D.
下图所示电路中,开关5在t=0瞬间闭合,若
(0_)=OV,则i(0+)为()。
A.1A
B.OA
C.0.5A
D.2A
开始考试点击查看答案A.
B.
C.
D.
下图所示电路,t=0时开关S闭合,则
(0+)为()。
A.0.6A
B.OA
C.-0.6A
D.0.8A
开始考试点击查看答案下图所示电路,在t=0瞬间将开关S闭合,则
(0+)s()。
A.-6V
B.6V
C.OV
D.8V
开始考试点击查看答案
A.10V
B.8V
C.-8V
D.-10V
开始考试点击查看答案下图所示电路原处于临界阻尼状态,现添加一个如虚线所示的电容C,电路成为()状态
A.过阻尼
B.欠阻尼
C.临界阻尼
D.无阻尼
开始考试点击查看答案A.一阶电路的全响应=(零输入响应)+(零状态响应)
B.一阶电路的全响应=(零输入响应)+(稳态分量)
C.一阶电路的全响应=(零输入响应)+(瞬态分量〉
D.一阶电路的全响应=(瞬态分量)+(零状态响应)
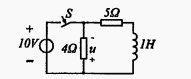
开始考试点击查看答案下图所示电路中,开关S在t=0瞬间闭合,若
(0_)=OV,则i(0+)=()。
A.1A
B.0.5A
C.
A
D.2A
开始考试点击查看答案A.欠阻尼过程
B.过阻尼过程
C.临界阻尼过程
D.无阻尼过程
开始考试点击查看答案长理培训客户端 资讯,试题,视频一手掌握
去 App Store 免费下载 iOS 客户端