A.支路电流,2b
B.回路电流,2b
C.支路电流,b
D.回路电流,b
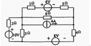
用网孔分析法计算图示电路中的网孔电流i为()。 
A.1A
B.2A
C.3A
D.4A
开始考试点击查看答案列出下图所示电路中对于A点(左上角)的结点电压方程()。 
A.
B.
C.
D.
A.支路电流法
B.回路电流法
C.结点电压法
D.网孔电流法
开始考试点击查看答案A.支路电流法
B.回路电流法
C.结点电压法
D.都满足
开始考试点击查看答案A.支路电流法
B.回路电流法
C.结点电压法
D.网孔电流法
开始考试点击查看答案回路电流法是以回路电流为未知量,由于回路电流自动满足()的约束,所以只需列写()个()方程,进而求解电路中相应变量的方法,下列叙述正确的。
A.KVL,n-1,KCL
B.KVL,b-n+l,KCL
C.KCL,n-1,KVL
D.KCL,b-n+1,KVL
开始考试点击查看答案A.KVL,r-l,KCL
B.KVL,b-n+l,KCI
C.KCL,n-1,KVL
D.KCL,b-n+1,KVI
开始考试点击查看答案A.KVL,KCL
B.KCL,KVL
C.KCL,KCL
D.KVL,RVL
开始考试点击查看答案A.KVL,KCL
B.KCL,KVL
C.KCL,KCL
D.KVL,KVL
开始考试点击查看答案A.b-n+1,n-1
B.n-1,b-n+1
C.b-n-1,n-1
D.n-1,b-n-1
开始考试点击查看答案长理培训客户端 资讯,试题,视频一手掌握
去 App Store 免费下载 iOS 客户端