总电压:
为()
A.
B.
C.
D.
如图所示电路,若电源电压U与电流I同相,问A、B、C、D中哪两点之间的电压最高()
A.AC
B.BD
C.AD
D.BC
开始考试点击查看答案
该电流的正弦量函数式为()A.
B.
C.
D.
A.
B.
C.
D.

及
的值为()
A.10∠-45°V
B.10
∠-45°V
A
C.10
∠-45V
∠-45°A
D.10∠-45°V
开始考试点击查看答案A.若电压有效值不变,但频率增大为100Hz时,电流I=2.3A,R、L的值为()
A.R=16.8ΩL=0.15H
B.R=16.8ΩL=0.15V2H
C.R=16.8
ΩL=0.15H
D.R=8.4ΩL=0.15H
开始考试点击查看答案
,电压u为()
A.
B.
C.
D.
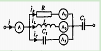
已知图电路中,各并联支路中电流表的分别为第一只5A,第二只20A,第三只25A,图示电路中电流表A的读数为()
A.7.07A
B.3.535A
C.3.535
A
D.7.07
A
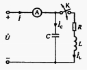
,取C使开关K闭合与断开时电流表读数均为0.5A,且闭合后电压与电流同相位,则L为()
A.1.12H
B.4.8H
C.1.2H
D.2.4H
开始考试点击查看答案
=3A,电感电流
=4A,则该电路的端电流I为()A.1A
B.
A
C.5A
D.7A
开始考试点击查看答案
=8A,则该电路的电阻电流为()A.2A
B.18A
C.
D.6A
开始考试点击查看答案长理培训客户端 资讯,试题,视频一手掌握
去 App Store 免费下载 iOS 客户端