A.正确
B.错误


()。A.正确
B.错误
开始考试点击查看答案
线电流
成立。()A.正确
B.错误
开始考试点击查看答案A.三相系统中流过输电线的电流称为线电流
B.三相电源和三相负载中每一相的电压和电流称为线电压和线电流
C.三相电源和三相负载中每一相的电压和电流称为相电压和相电流
D.对于△型电源,线电压对称时相电压也一定对称
开始考试点击查看答案A.电源为星形,负载为三角形
B.电源为星形,负载也为星形
C.电源为三角形,负载为星行
D.电源为三角形,负载也为三角形
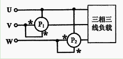
开始考试点击查看答案下图所示电路中,功率表的计算式正确的是()。 
A.
B.
C.
D.
A.正确
B.错误
开始考试点击查看答案A.正确
B.错误
开始考试点击查看答案A.正确
B.错误
开始考试点击查看答案A.正确
B.错误
开始考试点击查看答案A.正确
B.错误
开始考试点击查看答案长理培训客户端 资讯,试题,视频一手掌握
去 App Store 免费下载 iOS 客户端