A.端电压U的变化
B.输出电流I的变化.
C.电阻R支路电流的变化
D.上述三者同时变化
A.线性电阻与理想电压源
B.实际电源与矩路(即R=0)
C.实际电源与开路(即R→∞)
D.两个不同数值线性电阻
开始考试点击查看答案B.∞
C.
D.
B.∞
C.
D.
A.

B.3
C.

D.

A.减少
B.增加
C.不变
D.不定
开始考试点击查看答案
A.
B.2
C.-
D.
图示电路中,已知
>
>
,则消耗功最大的电阻是().
A.
B.
C.
D.不能确定
开始考试点击查看答案电路如图所示,开关s由打开到闭合,电路内发生变化的是()
A.电压U
B.电流I
C.电压源的功率
D.电流源的功率
开始考试点击查看答案
A.3Ω
B.6Ω
C.5Ω
D.-3Ω
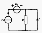
开始考试点击查看答案电路如图所示,试求电压U=()。
A.2V
B.1V
C.4V
D.3V
开始考试点击查看答案长理培训客户端 资讯,试题,视频一手掌握
去 App Store 免费下载 iOS 客户端