=12Ω,
6Ω,则流过R电阻的电流为()。
A.2A
B.1A
C.0.5A
D.1.5A
=6Ω,
7Ω,
=6Ω,
=10Ω,则A.b两端的电阻
阻值为()。
A.29Ω
B.10Ω
C.5Ω
D.7Ω
开始考试点击查看答案电路如下图所示,
=()。
A.500
B.100
C.1502
D.2002
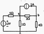
开始考试点击查看答案下图所示电路中电流i等于()。 
A.1A
B.2A
C.4A
D.3A
开始考试点击查看答案A.有等效变换关系
B.没有等效变换关系
C.有条件下的等效关系
D.无法确定
开始考试点击查看答案如图所示,
=125V,则流过5Ω电阻的电流等于()。
A.3A
B.5A
C.10A
D.12.5A
开始考试点击查看答案A.开路,矩路
B.短路,开路
C.短路,短路
D.开路,开路
开始考试点击查看答案如图开关s合上则各物理量变化正确的是()。 
A.I增加
B.U下降
C.I减小
D.I不变
开始考试点击查看答案A.100W灯泡最亮
B.25W灯泡最亮
C.两只灯泡一样亮
D.都不亮
开始考试点击查看答案
A.8
-2
=2
B.1.7
-0.5
=2
C.1.7
+0.5
=2
D.1.7
-0.5
=-2
A.电阻元件和电压源并联
B.电阻元件和电压源串联
C.电阻元件和电流源并联
D.电阻元件和电流源串联
开始考试点击查看答案长理培训客户端 资讯,试题,视频一手掌握
去 App Store 免费下载 iOS 客户端