A.可利用电源等效变换转化为电流源后,再列写结点电压方程。
B.可选择该无伴电压源的负极性端为参考结点,则该无伴电压源正极性端对应的结点电压为已知,可少列一个方程。
C.可添加流过该无伴电压源电流这一新的未知量,只需多列一个该无伴电压源电压与结点电压之间关系的辅助方程即可。
D.无伴受控电压源可先当作独立电压源处理,列写结点电压方程,再添加用结点电压表示控制量的补充方程。
A.对于有伴电流源,可利用电源等效变换转化为电压源后,再列写回路电流方程。
B.对于无伴电流源,可选择合适的回路,使只有一个回路电流流过该无伴电流源,则该回路电流为已知,可少列一个方程。
C.对于无伴电流源,可添加该无伴电流源两端电压这一新的未知量,只需多列个无伴电流源电流与回路电流之间关系的辅助方程即可。
D.电流源两端的电压通常为零。
开始考试点击查看答案A.自电导是结点所连接的所有电阻的电导之和,恒为正。
B.互电导是结点之间的电阻的电导之和,恒为负。
C.方程右边的
为流出结点的电流源电流的代数和(电源电流流出结点为正)
D.结点电压自动满足KVL。
开始考试点击查看答案A.自电阻是回路本身的电阻之和,恒为正。
B.互电阻是回路之间的电阻之和,根据回路电流的方向有正.负之分。
C.方程右边的
为回路中沿回路电流流向的电压源其电压降的代数和,电压降方向与回路绕向一致取“+”,反之取“-”。
D.回路电流自动满足KCL.
开始考试点击查看答案A.自电阻是网孔本身的电阻之和,恒为正。
B.互电阻是网孔之间的电阻之和,根据网孔电流的方向有正、负之分。
C.网孔电路法只适应于平面电路。
D.网孔电流自动满足KVL.
开始考试点击查看答案下列说法错误的是()。
A.在回路电流法中,自电阻恒为正,互电阻恒为负。
B.在网孔电流法中,自电阻恒为正,互电阻恒为负。
C.在结点电压法中,自电导恒为正,互电导有正、负。
D.在网孔电流法中,无论网孔电流取什么方向,自电阻恒为正,互电阻恒为负。
开始考试点击查看答案A.受控源可先当作独立电源处理,列写电路方程。
B.在结点电压法中,当受控源的控制量不是结点电压时,需要添加用结点电压表示控制量的补充方程。
C.在回路电流法中,当受控源的控制量不是回路电流时,需要添加用回路电流表示控制量的补充方程。
D.若采用回路电流法,对列写的方程进行化简,在最终的表达式中互阻始终是相等的,即:
在图示电路中,采用网孔电流法,下列描述中正确的是()。
A.网孔电流
的自阻抗为6,与
的互阻抗为-2,与
的互阻抗为-1,
为
B.网孔电流
的自阻抗为12,与
的互阻抗为-2,与
的互阻抗为-6,
为-
C.网孔电流
的自阻抗为12,与
的互阻抗为-1,与
的互阻抗为-6,
为
D.
,
,
自动满足KCL.
在图示电路中,采用回路电流法,下列描述中错误的是()。 
A.回路电流
的自阻抗为3,与
的互阻抗为4,与
的互阻抗为2,
为-12V。
B.回路电流
的自阻抗为6,与
的互阻抗为1,与
的互阻抗为2,
为4V.
C.回路电流
的自阻抗为5,与
的互阻抗为2,与
的互阻抗为-2,
为-2V。
D.由电路可知回路电流
为已知:
=-4A.
在图示电路中,采用结点电压法,下列描述中正确的是()。 
A.结点①的自导为1.5s,与结点②的互导为0,与结点③的互导为-1S,
为2A.
B.结点②的自导为0.5S,与结点①的互导为0,与结点③的互导为-4S,
为-2A。
C.结点③的自导为1.25S,与结点①的互导为-1S,与结点②的互导为-0.25S,
为4A。
D.
满足KVL.
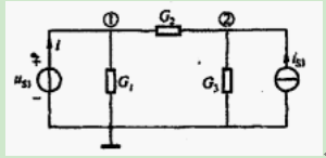
在图所示电路中,采用结点电压法,下列描述中正确的是() 
A.结点①的自导为
,与结点②的互导为-G2,
为
。
B.结点②的自导为
,与结点①的互导为-G
为
C.由电路可知结点①的电压为已知:
=
D.
、
自动满足KVL。
长理培训客户端 资讯,试题,视频一手掌握
去 App Store 免费下载 iOS 客户端