已知 RC 一阶电路的响应为 uC (t ) = 5 (1
e
10t )V ,若 R = 1kΩ
,则此时电容 C 等于 ( ) 。
A.0.0001F
B.0.001F
C.0.01F
D.0.2F
如图所示电路中,开关 S 在 t=0 瞬间闭合,若uC (0
)=
4V ,则uR (0+ ) 为( )。

A.16V
B.8V
C.-8V
D.- 16V
开始考试点击查看答案A.电路的结构形式
B.外加激励的大小
C.电路的结构和参数
D.仅仅是电路参数
开始考试点击查看答案A.RC 、R/L
B.RC 、L/R
C.C/R 、L/R
D.C/R 、R/L
开始考试点击查看答案如图所示电路中,开关 S 闭合后的时间常数为T1 ,断开后的时间常数为T2 ,则T1和T2 的关系为 ( ) 。

A. T1 =T2
B.T1 = T2 / 2
C.T1 =2T2
D.T1 =3T2
开始考试点击查看答案一阶电路的全响应是指 ( ) 。
A.电容电压uc(0
)
0V ,或电感电压uL(0
)
0V ,且外电路有外加激励作用
B.电容电流ic(0
)
0A ,或电感电压uL(0
)
0V ,且外电路无外加激励作用
C.电容电流ic(0
)
0A ,或电感电流iL(0
)
0A ,且外电路有外加激励作用
D.电容电压uc(0
)
0V ,或电感电流iL(0
)
0A ,且外电路有外加激励作用
如图所示电路中,开关 S 在 t=0 瞬间闭合,i3 (0+ ) 为 ( ) 。

A.0. 1A
B.0.05A
C.0A
D.0.5A
开始考试点击查看答案A.电阻
B.独立源
C.储能
D.受控源
开始考试点击查看答案A.电感电流不能跃变
B.电感电压必然跃变
C.电容电流必然跃变
D.以上说法都不对
开始考试点击查看答案如图所示电路换路前已达稳态,在 t=0 时断开开关 S ,则该电路 ( ) 。

A.电路有储能元件 L ,要产生过渡过程
B.电路有储能元件,且发生换路,要产生过渡过程
C.因为换路时元件 L 的电流储能不发生变化,所以该电路不产生过渡过程
D.因为换路时元件 L 的电流储能发生变化,所以该电路产生过渡过程
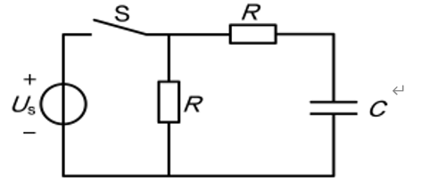
如图所示电路在开关 S 闭合后的时间常数为T 值为 ( ) 。

A.0. 1s
B.0.2s
C.0.5s
D.1s
开始考试点击查看答案长理培训客户端 资讯,试题,视频一手掌握
去 App Store 免费下载 iOS 客户端