如图所示电路在开关 S 闭合后的时间常数为T 值为 ( ) 。

A.0. 1s
B.0.2s
C.0.5s
D.1s
如图所示电路换路前已达稳态,在 t=0 时断开开关 S ,则该电路 ( ) 。

A.电路有储能元件 L ,要产生过渡过程
B.电路有储能元件,且发生换路,要产生过渡过程
C.因为换路时元件 L 的电流储能不发生变化,所以该电路不产生过渡过程
D.因为换路时元件 L 的电流储能发生变化,所以该电路产生过渡过程
A.电感电流不能跃变
B.电感电压必然跃变
C.电容电流必然跃变
D.以上说法都不对
开始考试点击查看答案A.电阻
B.独立源
C.储能
D.受控源
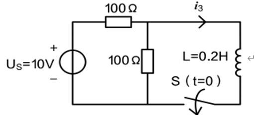
开始考试点击查看答案如图所示电路中,开关 S 在 t=0 瞬间闭合,i3 (0+ ) 为 ( ) 。

A.0. 1A
B.0.05A
C.0A
D.0.5A
开始考试点击查看答案已知 RC 一阶电路的响应为 uC (t ) = 5 (1
e
10t )V ,若 R = 1kΩ
,则此时电容 C 等于 ( ) 。
A.0.0001F
B.0.001F
C.0.01F
D.0.2F
开始考试点击查看答案如图所示电路在开关 S 断开后的时间常数为T 值为 ( ) 。

A.0.5ms
B.0. 1s
C.0. 1ms
D.0.5s
开始考试点击查看答案如图 a 所示为一电容器对电阻 R 放电的电路,当电阻分别为 1kΩ ,6kΩ ,3kΩ,4kΩ时得到 4 条uC 曲线如图 b 所示,其中对 4kΩ电阻放电的uC 曲线是 ( ) 。

A.a
B.b
C.c
D.d
开始考试点击查看答案如图所示电路在换路前处于稳定状态,t=0 瞬间开关 S 闭合,则iC (0+ ) 为( )。

A.0.6A
B.0A
C.-0.6A
D.3A
开始考试点击查看答案图示电路时间常数为 ( ) 。
A.(R1 + R2 )
B.R2
C.R2 (C1 + C2 )
D.(R1 + R2 )(C1 + C2 )
开始考试点击查看答案如图所示电路中,开关 S 在 t=0 瞬间闭合,若uC (0- )=0 ,则i (0+ ) 为 ( ) 。

A.1A
B.0A
C.0.5A
D.- 1A
开始考试点击查看答案长理培训客户端 资讯,试题,视频一手掌握
去 App Store 免费下载 iOS 客户端