A.三角形连接
B.星形连接
C.星形连接并加装中性线
D.星形连接并在中性线上加装保险丝
三相发电机绕组如下图所示,电压表的读数为220V,则电压表V的读数为()。
A.220V
B.380V
C.127V
D.0V
开始考试点击查看答案A.1/2
B.1.732
C.0D.1.5
开始考试点击查看答案A.5280
B.3048
C.1760
D.3800
开始考试点击查看答案A.相电流超前线电流30°
B.相电流滞后线电流30°
C.相电流与线电流同相
D.相电流滞后线电流60°
开始考试点击查看答案A.接成△形的线电流是接成Y形的线电流3倍
B.接成△形的线电流是接成Y形的线电流的
倍
C.二者线电流一样
D.接成△形的线电流比接成Y形的线电流小3倍
开始考试点击查看答案A.都变暗
B.因过亮而烧坏
C.仍然能正常发光
D.立即熄灭
开始考试点击查看答案A.10
B.10
C.10
D.
A.三相三线制电路
B.任何电路
C.三相四线制电路
D.任何三相电路
开始考试点击查看答案
其中φ是()。A.阻抗
B.阻抗角
C.电压初相角
D.电流初相角
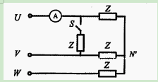
开始考试点击查看答案下图所示三相电路中,S断开时电流表读数为10A,若S闭合,电流表读数为()。 
A.17.32A
B.10A
C.18.66A
D.26.46A
开始考试点击查看答案长理培训客户端 资讯,试题,视频一手掌握
去 App Store 免费下载 iOS 客户端