A.T形
B.π形
C.H形
D.L形
,当两个二端口级联时,其复合二端口的传输参数7为(),A.
B.
C.
D.
A.T参数
B.Y参数
C.Z参数
D.H参数
开始考试点击查看答案
A.
B.
C.
D.
下图所示电路中,内部二端口P1的T参数为
总二端口的T参数矩阵为()。 
A.
B.
C.
D.
A.开路导纳
B.短路导纳
C.短路阻抗
D.开路阻抗
开始考试点击查看答案A.T形
B.π形
C.H形
D.L形
开始考试点击查看答案
串联时,其复合二端口的参数为()。A.
B.
C.
D.
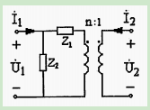
图示二端口网络的Z参数
依次为()Ω。 
A.
B.
C.
D.
依次为()Ω。
A.R,6R,R,6R
B.R,-4R,-4R,R
C.R,-4R,R,-4R
D.5,R,-5,6R
开始考试点击查看答案图示二端口网络的Z参数
依次为()i2。 
A.
B.
C.
D.
长理培训客户端 资讯,试题,视频一手掌握
去 App Store 免费下载 iOS 客户端