A.{3,5,7}
B.{3,5,6,8}
C.{1,2,3,8}
D.{1,2,3,6,7}
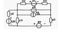
图示电路中网孔1的网孔电流方程为()。 
A.11
-3
=5
B.11
+3
=5
C.11
+3
=-5
D.11
-3
=-5
A.电阻元件和电压源并联
B.电阻元件和电压源申联
C.电导元件和电流源并联
D.电导元件和电流源串联
开始考试点击查看答案A.电阻元件和电压源并联
B.电阻元件和电压源串联
C.电阻元件和电流源并联
D.电阻元件和电流源串联
开始考试点击查看答案
A.8
-2
=2
B.1.7
-0.5
=2
C.1.7
+0.5
=2
D.1.7
-0.5
=-2
A.100W灯泡最亮
B.25W灯泡最亮
C.两只灯泡一样亮
D.都不亮
开始考试点击查看答案A.支路电流法
B.回路电流法
C.结点电压法
D.网孔电流法
开始考试点击查看答案A.支路电流法
B.回路电流法
C.结点电压法
D.都满足
开始考试点击查看答案A.支路电流法
B.回路电流法
C.结点电压法
D.网孔电流法
开始考试点击查看答案列出下图所示电路中对于A点(左上角)的结点电压方程()。
A.
B.
C.
D.
A.支路电流,2b
B.回路电流,2b
C.支路电流,b
D.回路电流,b
开始考试点击查看答案长理培训客户端 资讯,试题,视频一手掌握
去 App Store 免费下载 iOS 客户端