图示电路开关断开后电容电压的初始值
为()。
A.8V
B.10V
C.5V
D.7V
图示直流稳态电路中的电压u等于()。
A.-1V
B.-2V
C.-5V
D.-10V
开始考试点击查看答案图示电路中的稳态电流I为()。
A.-6A
B.0A
C.3A
D.14A
开始考试点击查看答案图示电路中电流源两端的稳态电压U等于()。
A.1V
B.2V
C.5V
D.10V
开始考试点击查看答案图示电路原已稳定,t=0闭合开关,t>0的电容电压
的大小为()。
A.1V
B.2V2
C.3VD
D.4V
开始考试点击查看答案A.RC、R/L
B.RC、L/R
C.C/R、L/R
D.C/R、R/L
开始考试点击查看答案电路如图所示,电流源的电流为单位阶跃函数i(t)=ε(t),求
为()。
A.
=5(1-
)ε(t)V
B.
=5
ε(t)V
C.
=2(1-
)ε(t)V
D.
=2
ε(t)V
A.电路的全响应与激励成正比
B.响应的暂态分量与激励成正比
C.电路的零状态响应与激励成正比
D.初始值与激励成正比
开始考试点击查看答案A.储能元件中的能量不能跃变
B.电路的结构或参数发生变化
C.电路有独立电源存在
D.电路中有开关元件存在
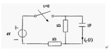
开始考试点击查看答案图示电路开关闭合后电容电流
的时间常数().
A.0.2s
B.0.3s
C.0.4s
D.0.5s
开始考试点击查看答案
,则电路的时间常数()。A.0.1s
B.0.3s
C.0.4s
D.0.5s
开始考试点击查看答案长理培训客户端 资讯,试题,视频一手掌握
去 App Store 免费下载 iOS 客户端