如图,开关S闭合时电路处于稳态,当t=0时打开,t≥0时的
为()。
A.
=2-16
(V)
B.
=-16
(V)
C.
=2-16
(V)
D.
=-16
(V)
图示电路开关打开已经很久,t=0时开关闭合,t≥0时的电容电压
为()。
A.1-
(V)
B.2-3
(V)
C.1-3
(V)
D.-3
(V)
,则电路的时间常数()。A.0.1s
B.0.3s
C.0.4s
D.0.5s
开始考试点击查看答案图示电路开关闭合后电容电流
的时间常数().
A.0.2s
B.0.3s
C.0.4s
D.0.5s
开始考试点击查看答案A.储能元件中的能量不能跃变
B.电路的结构或参数发生变化
C.电路有独立电源存在
D.电路中有开关元件存在
开始考试点击查看答案A.电路的全响应与激励成正比
B.响应的暂态分量与激励成正比
C.电路的零状态响应与激励成正比
D.初始值与激励成正比
开始考试点击查看答案
,特解为稳态
,时间常数为τ,则全响应
为()。A.
=[
-
]
B.
=
+[
-
]
C.
=
+[
-
)]
D.
=
+[
-
]
=12V,
=
=
=1KΩ,C=0.5uF,t=0时开关打开,
为()。
A.u[()=-6
V
B.u。(t)=12-6
V
C.u()=12-6
V
D.u。(t)=12-6
V
电路如图,原处于稳定状态,t=0时开关S打开,求t>0时i(t)响应()。
A.
(1-1.5
)A
B.
(1+
)A
C.
(+1.5
)A
D.
(1+1.5
)A
已知电路如图所示,开关闭合后的时间常数等于()。
A.0.5s
B.1s
C.2s
D.4s
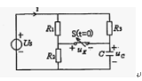
开始考试点击查看答案图示电路换路前已处于稳定。已知
=150V,
=
=100Ω,
=50Ω,C=0.01F。试求换路后开关S两端的电压
.
A.
(t)=-100+75
V
B.
(t)=-50+50
V
C.
(t)=-100+7
V
D.
(t)=-50+50
V
长理培训客户端 资讯,试题,视频一手掌握
去 App Store 免费下载 iOS 客户端