A.0.2s
B.0.3s
C.0.12s
D.0.5s
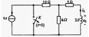
图示电路,t<0时已稳定,t=0时,开关S由1扳至2,则
=()。
A.0A
B.2A
C.4A
D.3A
开始考试点击查看答案
的条件下,特征方程具有重根。()A.正确
B.错误
开始考试点击查看答案
、i、
的表达式可以看出,它们周期性改变方向,储能元件也将周期性的交换能量。()A.正确
B.错误
开始考试点击查看答案
、i、
的表达式可以看出,它们的波形呈现等幅振荡的过程。()A.正确
B.错误
开始考试点击查看答案A.正确
B.错误
开始考试点击查看答案
A.因为发生换路,要产生过渡过程
B.因为电容t的储能值没有变,所以不产生过渡过程
C.因为有储能元件且发生换路,要产生过渡过程
D.因为换路时元件L的电流储能发生变化,所以该电路产生过渡过程
开始考试点击查看答案如图所示电路在开关s断开之前电路已达稳态,若在t=0时将开关s断开,则电路中L上通过的电流
(参考方向自上而下)为()。
A.2A
B.0A
C.-2A
D.4A
开始考试点击查看答案图所示电路,在开关S断开时,电容C两端的电压(参考方向自上而下)为()。
A.10V
B.0V
C.5V
D.-10V
开始考试点击查看答案如图所示电路原处于稳态,求t≥0时的i等于()。
A.
=4(1-
)A,t≥0
B.
=-4
A,t≥0
C.
=4(
)A,t≥0
D.
=4(1-
)A,t≥0
,若电路中的激励由原来的
变为2
,则电路的响应为()。A.10(1+
)
B.20-15
)
C.20-10
D.-10
长理培训客户端 资讯,试题,视频一手掌握
去 App Store 免费下载 iOS 客户端