A.
B.
C.
D.

及
的值为()
A.10∠-45°V
B.10
∠-45°V
A
C.10
∠-45V
∠-45°A
D.10∠-45°V
开始考试点击查看答案A.若电压有效值不变,但频率增大为100Hz时,电流I=2.3A,R、L的值为()
A.R=16.8ΩL=0.15H
B.R=16.8ΩL=0.15V2H
C.R=16.8
ΩL=0.15H
D.R=8.4ΩL=0.15H
开始考试点击查看答案
则
应满足关系为()
A.
B.
C.
D.无法确定
开始考试点击查看答案
则电压
为()
A.200jV
B.200V
C.200
V
D.200
jV
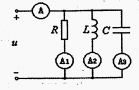
的读数分别为3A、10A、6A,电流表
A的读数为()A.19A
B.7A
C.13A
D.5A
开始考试点击查看答案
该电流的正弦量函数式为()A.
B.
C.
D.
如图所示电路,若电源电压U与电流I同相,问A、B、C、D中哪两点之间的电压最高() 
A.AC
B.BD
C.AD
D.BC
开始考试点击查看答案
总电压:
为()
A.
B.
C.
D.
,电压u为()
A.
B.
C.
D.
已知图电路中,各并联支路中电流表的分别为第一只5A,第二只20A,第三只25A,图示电路中电流表A的读数为()
A.7.07A
B.3.535A
C.3.535
A
D.7.07
A
长理培训客户端 资讯,试题,视频一手掌握
去 App Store 免费下载 iOS 客户端