A.大小
B.变化量
C.变化率
D.积分
A.短路,开路
B.开路,开路
C.开路,短路
D.短路,短路
开始考试点击查看答案A.削弱,增强
B.增强,增强
C.削弱,削弱
D.增强,削弱
开始考试点击查看答案
A.
B.
C.
D.
电路如下图所示二次侧开路,若
,则互感系数M为()
A.1H
B.1.5H
C.2H
D.3H
开始考试点击查看答案A.12H
B.3H
C.6H
D.4H
开始考试点击查看答案
电阻不计,正弦电压源的电压有效值不变,则两者反向串联时的电流为顺向串联时电流的()倍。A.5
B.0.2
C.2
D.0.5
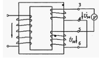
开始考试点击查看答案图示为一变压器,原边接220V正弦交流电源,副边有两个线圈,分别测得
为12V,
为24V,则电压表的读数为()V.
A.12
B.24
C.36
D.不确定
开始考试点击查看答案A.21H
B.4.58H
C.7H
D.3H
开始考试点击查看答案
电阻能获得最大功率,试求理想变压器的变比n
A.1/2
B.2
C.1/8
D.8
开始考试点击查看答案如图所示正弦交流电路,当开关闭合后,交流电流表读数() 
A.增大
B.减小
C.不变
D.不能确定
开始考试点击查看答案长理培训客户端 资讯,试题,视频一手掌握
去 App Store 免费下载 iOS 客户端