A.线性电阻
B.非线性电阻
C.时变电阻
D.非时交电阻
A.电阻
B.电感
C.电源
D.电容
开始考试点击查看答案A.无源元件
B.有源元件
C.耗能元件
D.记忆元件
开始考试点击查看答案A.电压和电流的实际方向相反
B.电压和电流的实际方向相同
C.元件一定发出功率
D.元件一定吸收功率
开始考试点击查看答案A.正确
B.错误
开始考试点击查看答案A.无源元件
B.有源元件
C.耗能元件
D.非能元件
开始考试点击查看答案A.正确
B.错误
开始考试点击查看答案A.可以用于集总参数电路
B.可以用于分布参数电路
C.只能用于线性电路
D.只适用于非线性电路
开始考试点击查看答案A.b-n
B.n
C.b-n+1
D.n-1
开始考试点击查看答案
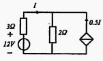
A.10
B.5
C.15
D.20
开始考试点击查看答案
A.-4W
B.4W
C.6W
D.-6W
开始考试点击查看答案长理培训客户端 资讯,试题,视频一手掌握
去 App Store 免费下载 iOS 客户端