¥10.00
推荐等级:电路如图所示,试求电压U=()。
A.2V
B.1V
C.4V
D.3V
开始考试练习点击查看答案如图电路中端口开路电压U为().
A.8V
B.-2V
C.2V
D.-4V
开始考试练习点击查看答案电路如图所示,表示无限阶梯网络,其a,b端口等效电阻为()
A.3.236Ω
B.10Ω
C.5Ω
D.3Ω
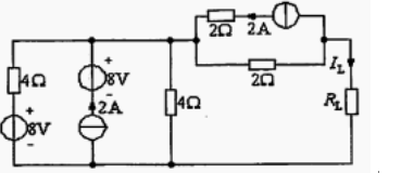
开始考试练习点击查看答案电路如图所示,图中的电流i为().
A.0.3A
B.-0.3A
C.-0.5A
D.0.5A
开始考试练习点击查看答案如图所示,ab端等效电阻=()
A.6Ω
B.5Ω
C.3Ω
D.4Ω
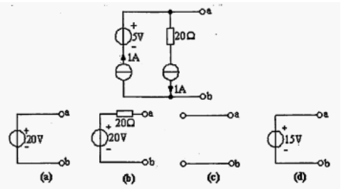
开始考试练习点击查看答案试判断图示电路ab端的等效电路是()
A.图(a)
B.图(b)
C.图(c)
D.图(d)
开始考试练习点击查看答案A.10V
B.20V
C.30V
D.40V
开始考试练习点击查看答案A.全是10Ω
B.两个30Ω一个90Ω
C.全是90Ω
D.全是30Ω
开始考试练习点击查看答案图示AB端口的输入电阻R为()。
A.150
B.50
C.100
D.300
开始考试练习点击查看答案应用等效变换的方法,R=4Ω,图示电路中的为().
A.0.5A
B.2A
C.1A
D.3A
开始考试练习点击查看答案国家电网考试专科高电压:高电压下气体、液体固体放电原理2
类别:高电压技术国家电网考试专科高电压:电气设备绝缘试验2
类别:高电压技术国家电网考试专科高电压:电介质的极化、电导和损耗
类别:高电压技术国家电网考试专科高电压:气体放电过程及其击穿特性
类别:高电压技术国家电网考试专科高电压:固体、液体和组合绝缘的击穿特性
类别:高电压技术国家电网考试专科高电压:电气设备的绝缘试验
类别:高电压技术国家电网考试专科高电压:线路和绕组中的波过程
类别:高电压技术国家电网考试专科高电压:雷电及防雷装置
类别:高电压技术国家电网考试专科高电压:电力系统的防雷保护
类别:高电压技术国家电网考试专科高电压:电力系统内部过电压
类别:高电压技术长理培训客户端 资讯,试题,视频一手掌握
去 App Store 免费下载 iOS 客户端