¥10.00
推荐等级:A.越大
B.越小
C.不变
D.不能确定
开始考试练习点击查看答案A.伏安特性
B.电压特性
C.VCR
D.电压电流关系
开始考试练习点击查看答案A.理想电压源
B.理想电压源与电阻串联
C.理想电压源与电阻并联
D.理想电流源与电阻并联
开始考试练习点击查看答案A.正确
B.错误
开始考试练习点击查看答案A.正确
B.错误
开始考试练习点击查看答案A.正确
B.错误
开始考试练习点击查看答案A.正确
B.错误
开始考试练习点击查看答案在有 n 个节点 b 条支路的电路中,可以列出独立 KCL 方程和独立 KVL 方程数分 别是 ( )
A.n ,b
B.b-n+ 1 ,n+ 1
C.n- 1 ,b- 1
D.n- 1 ,b-n+ 1
开始考试练习点击查看答案电路如图中,6V 电压源吸收的功率为 ( ) W。
A.24
B.20
C.-24
D.-20
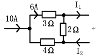
开始考试练习点击查看答案下图所示电路中电流 I2 为 ( ) 。
A.7A
B.3A
C.-3A
D.4A
开始考试练习点击查看答案长理培训客户端 资讯,试题,视频一手掌握
去 App Store 免费下载 iOS 客户端