¥10.00
推荐等级:在下图所示电路中,已知 RL 消耗功率 25W,则理想电压源吸收的电功率为( )。
A.5W
B.-5W
C.25W
D.-25W
开始考试练习点击查看答案图示电路中,电压源US = ( )
A.2V
B.4V
C.6V
D.8V
开始考试练习点击查看答案如下图所示,已知电阻 R1 =2KΩ,R2 =500Ω,R3 =200Ω,uS = 12V ,电流控制电流源的激励电流 id =5i1 。求电阻 R3 两端的电压 u3 = ( ) 。
A.1.2V
B.12V
C.2.4V
D.-2.4V
开始考试练习点击查看答案基尔霍夫定律与电路结构有关。 ( )
A.正确
B.错误
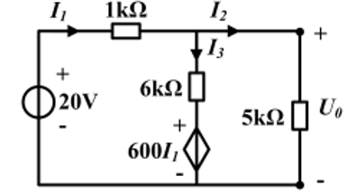
开始考试练习点击查看答案电路如下图所示,求控制量 I1= ( )及电压 U0= ( )。
A.5A ,15V
B.5A ,15mV
C.5m,15V
D.5mA ,15mV
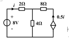
开始考试练习点击查看答案如图所示电路中的电流 i= ( ) 。
A.1A
B.4A
C.2A
D.1.33A
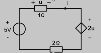
开始考试练习点击查看答案电路如图所示,则 5V 电压源发出的功率为 ( ) 。
A.10W
B.5W
C.-5W
D.- 10W
开始考试练习点击查看答案A.电压 U 和电流 I 的实际方向相同,电流从“+ ”端流入,此元件是负载
B.基尔霍夫定律仅适用于线性电路
C.电压、电流的参考方向可以任意假定,指定的方向不同,不会影响最后结论
D.一个实际电压源,外接负载电阻越小,则电流越大,负载吸收的功率也必越大
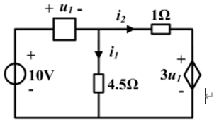
开始考试练习点击查看答案电路如图所示,i1 =2A ,求电流 i2= ( ) 。
A.6A
B.1A
C.3A
D.-3A
开始考试练习点击查看答案(多选) 电路如图所示,下列错误的是 ( ) 。
A.U= - 1V
B.电压源发出0.5W 的功率
C.受控源不吸收也不发出功率
D.电压源吸收 0.5W 的功率
开始考试练习点击查看答案长理培训客户端 资讯,试题,视频一手掌握
去 App Store 免费下载 iOS 客户端