¥10.00
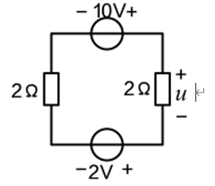
推荐等级:图示电路中电压 u 等于 ( ) 。
A.4V
B.-4V
C.6V
D.-6V
开始考试练习点击查看答案如图所示电路,吸收功率的元件是 ( ) 。
A.电压源、电流源
B.电压源、电阻
C.电流源、电阻
D.电阻
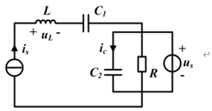
开始考试练习点击查看答案电路如下所示,其中已知 L 与 C2 的值,设 us (t) = Um cos(Ot) ,is (t) = Ieat , 则uL (t)= ( ) V ,iC (t)= ( ) A。
A.uL(t) = LIeatV ,iC (t) = C2 Um cos(Ot)A
B.uL(t) = -aLIeatV ,iC (t) = -OC2 Um cos(Ot)A
C.uL(t) = -aLIe开始考试练习点击查看答案
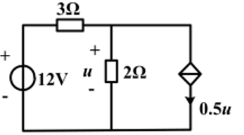
如图所示电路中,12V 电压源发出的功率为 ( ) W。
A.36
B.24
C.6
D.12
开始考试练习点击查看答案电路如图所示,求 10V 电压源发出的功率 ( ) 。
A.- 35W
B.35W
C.70W
D.- 70W
开始考试练习点击查看答案A.导体
B.半导体
C.热敏电阻
D.绝缘体
开始考试练习点击查看答案A.电压
B.电流
C.时间
D.温度
开始考试练习点击查看答案A.功率越大的电器电流做的功越大
B.负载在额定功率的工作状态叫满载
C.两个额定电压相同的电炉,R1 > R2 ,因为P = I2R,所以电阻大的功率大
D.当电源内阻为零时,电源电动势的大小就等于电源端电压
开始考试练习点击查看答案A.对于理想电压源而言,不允许短路,但允许开路
B.对于理想电流源而言,不允许短路,但允许开路
C.电路的理想化是有条件的,这个条件与分析电路的工作特点有关,集总参数元件假设的内容是:实际电路的尺寸远小于电路工作时的电磁波波长
D.KCL 定律是对电路中各支路电压之间施加的线性约束条件
开始考试练习点击查看答案A.凡大小不随时间变化的电流称为直流电流,简称直流
B.凡方向不随时间变化的电流称为直流电流,简称直流
C.方向不变,大小随时间有脉动变化的电流叫做脉动直流
D.大小、方向均随时间变化的电流叫做交流电流
开始考试练习点击查看答案长理培训客户端 资讯,试题,视频一手掌握
去 App Store 免费下载 iOS 客户端