免费
推荐等级:A.分布参数电路
B.集总参数电路
C.线性电路
D.非线性电路
开始考试练习点击查看答案A.减小、变亮
B.减小、变暗
C.增大、变亮
D.不变、不变
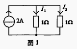
开始考试练习点击查看答案下图所示电路中,
.
均为正值,下列叙述正确的是() 
A.电压源发出功率
B.电流源发出功率
C.电压源和电流源都不发出功率
D.电压源和电流源都发出功率
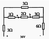
开始考试练习点击查看答案在图示电路中,当ab间因故障断开后,用电压表测得为()。

A.0V
B.5V
C.9V
D.36V
开始考试练习点击查看答案
A.1
B.2
C.3
D.4
开始考试练习点击查看答案
=2V,
=2A,则供出电功率的是()。 
A.电压源
B.电流源
C.电压源和电流
D.以上答案都不对
开始考试练习点击查看答案
和
将()。 

A.增大
B.不变
C.减小
D.不确定
开始考试练习点击查看答案A.增加
B.减小
C.不变
D.不确定
开始考试练习点击查看答案
=10V,电流源
=1A则()。 
A.电压源与电流源都产生功率
B.电压源与电流源都吸收功率
C.电压源产生功率,电流源不一定
D.电流源产生功率,电压源不一定
开始考试练习点击查看答案
A.24.3V
B.60.7V
C.-24.3V
D.-2.85V
开始考试练习点击查看答案长理培训客户端 资讯,试题,视频一手掌握
去 App Store 免费下载 iOS 客户端