免费
推荐等级:A.5V
B.-0.2V
C.-1.2V
D.6.2V
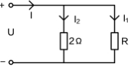
A.1Ω
B.2Ω
C.3Ω
D.4Ω
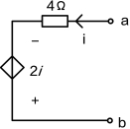
A.2Ω
B.4Ω
C.6Ω
D.-2Ω
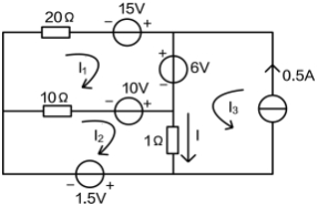
A.1.5A
B.0.5A
C.-1.5A
D.-0.5A
A.外部电流和外部电压同相位
B.电容和电感能量总和为零
C.电容电流和电感电流大小相等且相位相反
D.总输入导纳(模值)为最小值
开始考试练习点击查看答案A.线性
B.非线性
C.集总
D.分布
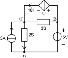
开始考试练习点击查看答案A.2V,5Ω
B.5V,2Ω
C.10V,5Ω
D.5V,10Ω
开始考试练习点击查看答案A.0
B.1
C.-1
D.0.5
A.增大,增大
B.减小,减小
C.增大,减小
D.减小,增大
开始考试练习点击查看答案A.20
B.30
C.50
D.25
开始考试练习点击查看答案长理培训客户端 资讯,试题,视频一手掌握
去 App Store 免费下载 iOS 客户端