¥10.00
推荐等级:
A.41.2
B.19.6
C.29.2
D.-29.2
开始考试练习点击查看答案
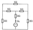
A.3Ω
B.6Ω
C.9Ω
D.12Ω
开始考试练习点击查看答案
A.2Ω
B.3Ω
C.4Ω
D.6Ω
开始考试练习点击查看答案
A.20
B.60
C.40
D.10
开始考试练习点击查看答案A.负载获得最大功率时,电源的传输效率为50%
B.负载电阻RL等于戴维南等效电阻Req时,负载功率最大,为U²oc/2Req
C.负载电阻RL等于诺顿等效电阻Req时,负载功率最大,为I²sc/Req
D.负载电阻RL等于0时,负载中电流最大,电源的传输效率为0
开始考试练习点击查看答案
A.-87.5
B.17.5
C.-17.5
D.87.5
开始考试练习点击查看答案
A.1
B.5
C.2
D.3
开始考试练习点击查看答案A.负,负
B.负,正
C.正,正
D.正,负
开始考试练习点击查看答案
A.-1V,3.7Ω
B.1V,3.7Ω
C.1V,2.4Ω
D.-1V,2.4Ω
开始考试练习点击查看答案
A.8
B.10
C.12
D.5
开始考试练习点击查看答案第八章 电力系统稳定性分析(暑假班1)
类别:电分课后习题第七章 电力习题简单故障分析与计算(暑假班2)
类别:电分课后习题第七章 电力习题简单故障分析与计算(暑假班1)
类别:电分课后习题第六章 电力系统故障的基本概念(暑假班2)
类别:电分课后习题第六章 电力系统故障的基本概念(暑假班1)
类别:电分课后习题第五章 电力系统无功功率和电压调整(暑假班2)
类别:电分课后习题第五章 电力系统无功功率和电压调整(暑假班1)
类别:电分课后习题第四章 电力系统有功功率和频率调整(暑假班2)
类别:电分课后习题第四章 电力系统有功功率和频率调整(暑假班1)
类别:电分课后习题第三章 电力系统潮流分析与计算(暑假班2)
类别:电分课后习题长理培训客户端 资讯,试题,视频一手掌握
去 App Store 免费下载 iOS 客户端