¥10.00
推荐等级:

A.√2∠45°A
B.√2∠-45°A
C.√2∠30°A
D.-√2∠30°A
开始考试练习点击查看答案
A.20∠-90°A
B.20∠90°A
C.2∠90°A
D.20∠0°A
开始考试练习点击查看答案
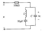
A.2mH,2μF
B.1mH,1.25μF
C.2mH,2.5μF
D.1mH,2.5μF
开始考试练习点击查看答案A.感抗大于容抗
B.阻抗等于0
C.感抗等于容抗
D.感抗小于容抗
开始考试练习点击查看答案A.u=iR
B.U=IR
C.Ù=ÌR
开始考试练习点击查看答案A.若将两个电压源的大小同时调节为原来的0.5倍,则电阻的功率将变成原来功率的0.5倍
B.电压响应比其中任意一个电压源单独作用时要大
C.电压响应比其中任意一个电压源单独作用时要小
D.若将两个电压源的频率同时调节为原来的5倍,则电阻的功率可能不变
开始考试练习点击查看答案
A.40sinwtV
B.20sinwtV
C.80sinwtV
D.20V
开始考试练习点击查看答案A.u=100sin(50t+30°)V
B.u=141.4sin(50πt+30°)V
C.u=200sin(100πt+30°)V
D.u=141.4sin(100πt+30°)V
开始考试练习点击查看答案
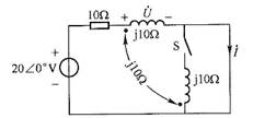
,已知i=7
,电压u为( )。
A.
B.
C.
D.

A.7.07A
B.3.535A
C.3.535√2A
D.7.07√2A
开始考试练习点击查看答案第八章 电力系统稳定性分析(暑假班1)
类别:电分课后习题第七章 电力习题简单故障分析与计算(暑假班2)
类别:电分课后习题第七章 电力习题简单故障分析与计算(暑假班1)
类别:电分课后习题第六章 电力系统故障的基本概念(暑假班2)
类别:电分课后习题第六章 电力系统故障的基本概念(暑假班1)
类别:电分课后习题第五章 电力系统无功功率和电压调整(暑假班2)
类别:电分课后习题第五章 电力系统无功功率和电压调整(暑假班1)
类别:电分课后习题第四章 电力系统有功功率和频率调整(暑假班2)
类别:电分课后习题第四章 电力系统有功功率和频率调整(暑假班1)
类别:电分课后习题第三章 电力系统潮流分析与计算(暑假班2)
类别:电分课后习题长理培训客户端 资讯,试题,视频一手掌握
去 App Store 免费下载 iOS 客户端