¥10.00
推荐等级:A.
B.
C.
D.
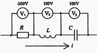
的电源上,电感电压
为( )。A.
B.
C.
D.
A.u=380sin314tV
B.u=537sln(314t+45°)V
C.u=380sin(314t+90°)V
D.u=537sin(314t+90°)V
开始考试练习点击查看答案A.增大
B.减小
C.不变
D.不能确定
开始考试练习点击查看答案
A.(0.5+j0.5)S
B.(1+j1)S
C.(1-j1)S
D.(0.5-j0.5)s
开始考试练习点击查看答案A.电阻性
B.电感性
C.电容性
D.不能确定
开始考试练习点击查看答案
和
的有效值均为1A人,则IC的有效值为( )。
A.-1A
B.-0.41A
C.1A
D.3A
开始考试练习点击查看答案
A.
B.
C.
D.
A.4Ω
B.不能确定
C.8Ω
D.10Ω
开始考试练习点击查看答案
usin(ωt-45°)V对应的向量表示为( )v。A.U=U∠45°
B.U=U∠-45°
C.
=U∠-45°
第八章 电力系统稳定性分析(暑假班1)
类别:电分课后习题第七章 电力习题简单故障分析与计算(暑假班2)
类别:电分课后习题第七章 电力习题简单故障分析与计算(暑假班1)
类别:电分课后习题第六章 电力系统故障的基本概念(暑假班2)
类别:电分课后习题第六章 电力系统故障的基本概念(暑假班1)
类别:电分课后习题第五章 电力系统无功功率和电压调整(暑假班2)
类别:电分课后习题第五章 电力系统无功功率和电压调整(暑假班1)
类别:电分课后习题第四章 电力系统有功功率和频率调整(暑假班2)
类别:电分课后习题第四章 电力系统有功功率和频率调整(暑假班1)
类别:电分课后习题第三章 电力系统潮流分析与计算(暑假班2)
类别:电分课后习题长理培训客户端 资讯,试题,视频一手掌握
去 App Store 免费下载 iOS 客户端