¥100.00
推荐等级:A.0 °~120 °
B.0 °~180 °
C.0 °~60 °
D.0 °~90 °
开始考试练习点击查看答案A.0.56
B.0.63
C.1.8
D.1.6
开始考试练习点击查看答案
A.P组整流
B.P组逆变
C.N组整流
D.N组逆变
开始考试练习点击查看答案
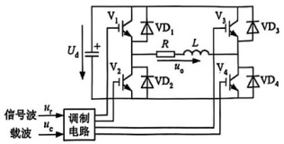
A.负载输出电压
由±
0三种电平组成
B.在调制信号和载波信号的交点时刻控制各开关的通断
C.当
.无论i。什么方向,输出电压
D.当
无论
什么方向,输出电压

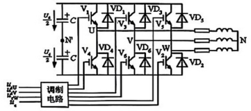
A.负载相电压由
四种电平组成
B.
由
两种电平组成
C.负载线电压由
和0种电平组成
D.三相的调制信号
依次相差120°
A.86.6V
B.110V
C.127V
D.70.7V
开始考试练习点击查看答案A.√2
B.1
C.2
D.1/2
开始考试练习点击查看答案A.100
B.400
C.300
D.200
开始考试练习点击查看答案A.越高
B.越低
C.不变
D.不能确定
开始考试练习点击查看答案
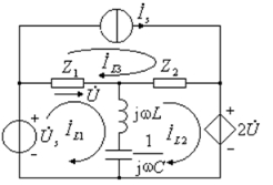
V,
A,
,
,
,
,下列回路电流方程错误的是()。
(0.5)A.
B.
C.
D.
长理培训客户端 资讯,试题,视频一手掌握
去 App Store 免费下载 iOS 客户端