¥100.00
推荐等级:A.灭弧介质和冷却介质
B.灭弧介质及触头间隙绝缘介质
C.灭弧介质以及触头间隙.带电部分与地之间的绝缘介质
D.散热和绝缘
开始考试练习点击查看答案A.损耗大
B.效率低
C.经济性好
D.绝缘要求高
开始考试练习点击查看答案A.并联小阻值电阻
B.串联小阻值电阻
C.并联电容
D.串联电容
开始考试练习点击查看答案
(0.5)A.
B.
C.
D.
A.暂态稳定
B.动态稳定
C.电压稳定
D.静态稳定
开始考试练习点击查看答案A.只加入电压或只加入电流的情况下,功率方向继电器就能够动作的现象称为潜动
B.只加电流不加电压时所产生的潜动称为电流潜动
C.发生潜动的最大危害是反方向出口处两相短路,方向继电器因潜动失去方向性而误动作
D.只加电压不加电流时所产生的潜动称为电压潜动
开始考试练习点击查看答案
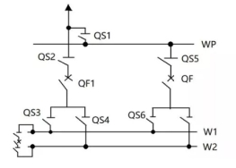
(0.5)A.①合QS6, QS5②合 QS1③断开 QF1④断开 QS2和QS3⑤合 QF
B.①合QS6, QS5②合QF③断开 QF1④断开 QS2和QS3⑤合QS1
C.①合QS6, QS5②合 QS1③合QF④断开 QF1⑤断开 QS2和QS3
D.①合QS6, QS5②合 QS1③断开 QF1④合QF⑤断开 QS2 和QS3
开始考试练习点击查看答案A.计算各节点电压和各支路中的功率及功率损耗
B.计算电网中的电压损耗和功率损耗
C.计算发电机功率.机端电压以及输电线路的功率
D.计算电源母线电压和输电线路的功率损耗
开始考试练习点击查看答案A.23
B.53
C.48
D.58
开始考试练习点击查看答案
(0.5)A.-30
B.30
C.-10
D.10
开始考试练习点击查看答案长理培训客户端 资讯,试题,视频一手掌握
去 App Store 免费下载 iOS 客户端