¥100.00
推荐等级:
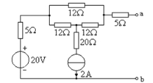
(0.5)A.2,10
B.2,18
C.4,10
D.4,18
开始考试练习点击查看答案A.ωc±2ωr.2ωc±ωr
B.ωc±ωr.ωc±3ωr
C.2ωc±ωr.ωc±ωr
D.含ωc.2ωc及其附近谐波分量
开始考试练习点击查看答案A.二次侧电压由二次侧负载决定,与被测电路负载电流无关
B.二次侧电压由二次侧电路结构和一次侧电流共同决定
C.二次侧电压大小和二次回路负载无关,仅由一次侧电流决定
D.二次侧电压大小决定一次侧电压大小,故二次侧负载阻抗大小决定一次侧电流。
开始考试练习点击查看答案A.速动性
B.灵敏性
C.选择性
D.可靠性
开始考试练习点击查看答案
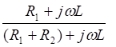
(0.5)A.
B.
C.
D.以上都不是
开始考试练习点击查看答案A.角形
B.单元
C.外桥形
D.内桥形
开始考试练习点击查看答案A.电晕放电
B.辉光放电
C.刷状放电
D.火花放电
开始考试练习点击查看答案A.额定电压的95%~105%
B.额定电压的95%~115%
C.额定电压的90%~110%
D.额定电压的95%~110%
开始考试练习点击查看答案A.铝和铜的导电性基本一样
B.无法确定两种材料的导电性能优劣
C.铝比铜的导电性能好
D.铝比铜的导电性能差
开始考试练习点击查看答案A.严重受潮
B.局部过热或电弧放电
C.纤维杂质过多
D.油压异常
开始考试练习点击查看答案长理培训客户端 资讯,试题,视频一手掌握
去 App Store 免费下载 iOS 客户端