电路如图所示,表示无限阶梯网络,其a,b端口等效电阻为() 
A.3.236Ω
B.10Ω
C.5Ω
D.3Ω
如图电路中端口开路电压U为(). 
A.8V
B.-2V
C.2V
D.-4V
开始考试点击查看答案电路如图所示,试求电压U=()。
A.2V
B.1V
C.4V
D.3V
开始考试点击查看答案
A.3Ω
B.6Ω
C.5Ω
D.-3Ω
开始考试点击查看答案电路如图所示,开关s由打开到闭合,电路内发生变化的是()
A.电压U
B.电流I
C.电压源的功率
D.电流源的功率
开始考试点击查看答案图示电路中,已知
>
>
,则消耗功最大的电阻是().
A.
B.
C.
D.不能确定
开始考试点击查看答案电路如图所示,图中的电流i为().
A.0.3A
B.-0.3A
C.-0.5A
D.0.5A
开始考试点击查看答案如图所示,ab端等效电阻
=()
A.6Ω
B.5Ω
C.3Ω
D.4Ω
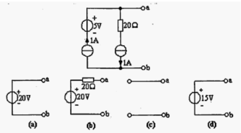
开始考试点击查看答案试判断图示电路ab端的等效电路是() 
A.图(a)
B.图(b)
C.图(c)
D.图(d)
开始考试点击查看答案
:
=1:2,总电压为60V,则以的大小为()A.10V
B.20V
C.30V
D.40V
开始考试点击查看答案A.全是10Ω
B.两个30Ω一个90Ω
C.全是90Ω
D.全是30Ω
开始考试点击查看答案长理培训客户端 资讯,试题,视频一手掌握
去 App Store 免费下载 iOS 客户端