:
=1:2,总电压为60V,则以的大小为()A.10V
B.20V
C.30V
D.40V
试判断图示电路ab端的等效电路是() 
A.图(a)
B.图(b)
C.图(c)
D.图(d)
开始考试点击查看答案如图所示,ab端等效电阻
=()
A.6Ω
B.5Ω
C.3Ω
D.4Ω
开始考试点击查看答案电路如图所示,图中的电流i为().
A.0.3A
B.-0.3A
C.-0.5A
D.0.5A
开始考试点击查看答案电路如图所示,表示无限阶梯网络,其a,b端口等效电阻为() 
A.3.236Ω
B.10Ω
C.5Ω
D.3Ω
开始考试点击查看答案如图电路中端口开路电压U为(). 
A.8V
B.-2V
C.2V
D.-4V
开始考试点击查看答案A.全是10Ω
B.两个30Ω一个90Ω
C.全是90Ω
D.全是30Ω
开始考试点击查看答案图示AB端口的输入电阻R为()。 
A.150
B.50
C.100
D.300
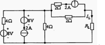
开始考试点击查看答案应用等效变换的方法,R=4Ω,图示电路中的
为().
A.0.5A
B.2A
C.1A
D.3A
开始考试点击查看答案图所示电路中,输入电阻。为()。
A.12
B.50
C.20
D.30
开始考试点击查看答案所示电路中,利用电源等效变换过程,求i为()。
A.0.5A
B.2A
C.1A
D.0.125A
开始考试点击查看答案长理培训客户端 资讯,试题,视频一手掌握
去 App Store 免费下载 iOS 客户端