A.0
B.∞
C.
D.
A.

B.3
C.

D.

A.电阻
B.电压
C.电流
D.电功率
开始考试点击查看答案
A.6
B.2.5
C.1.5
D.7
开始考试点击查看答案
为10Ω,电阻R为( )Ω。
A.2
B.3
C.4
D.5
开始考试点击查看答案
=5A的理想电流源与一个
=2A,R=1Ω的实际电流源串联,对外等效为( )。A.
=5A的理想电流源
B.
=2A的理想电流源与R=1Ω的电阻相并联的电路
C.
=5V的理想电压源
D.
=2A的理想电流源与R=1Ω的电阻相串联的电路
A.0
B.∞
C.
D.

A.线性电阻与理想电压源
B.实际电源与短路(即R=0)
C.实际电源与开路(即R→∞)
D.两个不同数值线性电阻
开始考试点击查看答案
A.电压U
B.电流I
C.电压源的功率
D.电流源的功率
开始考试点击查看答案
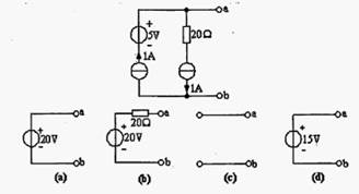
A.图(a)
B.图(b)
C.图(c)
D.图(d)
开始考试点击查看答案
:
=1:2,总电压为60V,则R1的大小为( )。A.10V
B.20V
C.30V
D.40V
开始考试点击查看答案第一章 电介质的电气特性与电气强度(周末班)
类别:高压课后习题第六章 电力系统故障的基本概念(周末班)
类别:电分课后习题第八章 电力系统稳定性基本概念和同步电机的机电特性(周末班
类别:电分课后习题第三章 电力系统潮流计算(周末班)
类别:电分课后习题第一章 电力系统的基本概念(周末班)
类别:电分课后习题第七章 电力系统简单故障分析与计算(周末班)
类别:电分课后习题第五章 电力系统无功功率和电压调整 (周末班)
类别:电分课后习题第四章 电力系统有功功率和频率调整(周末班)
类别:电分课后习题第二章 电力系统各元件特性及数学模型(周末班)
类别:电分课后习题第八章 电力系统内部过电机理(周末班)
类别:高压课后习题长理培训客户端 资讯,试题,视频一手掌握
去 App Store 免费下载 iOS 客户端