¥10.00
推荐等级:A.
B.
C.
D.
A.2H
B.3H
C.12H
D.4H
开始考试练习点击查看答案A.支路电流的参考方向
B.支路电压的参考方向
C.同名端的位置
D.总电流的参考方向
开始考试练习点击查看答案A.感性
B.容性
C.阻性
D.无法确定
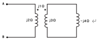
开始考试练习点击查看答案图示空心变压器AB间的输入阻抗为( )。
A.-j3Ω
B.j3Ω
C.-j4Ω
D.j4Ω
开始考试练习点击查看答案A.理想变压器
B.全耦合变压器
C.空芯变压器
开始考试练习点击查看答案下图所示理想变压器的伏安特性是( )。
A.
B.
C.
D.
含理想变压器的电路如图所示,使负载电阻获得最大功率时的变压器变比n为( )。
A.0.02
B.50
C.4×10-4
D.2500
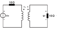
开始考试练习点击查看答案图示电路中,已知uS,=100cos(Ѡt+90°)V,则副边负载电压u1为( )。
A.25V
B.50V
C.25V
D.50V
A.4Ω
B.1Ω
C.2Ω
D.8Ω
开始考试练习点击查看答案第一章 电介质的电气特性与电气强度(周末班)
类别:高压课后习题第六章 电力系统故障的基本概念(周末班)
类别:电分课后习题第八章 电力系统稳定性基本概念和同步电机的机电特性(周末班
类别:电分课后习题第三章 电力系统各元件特性及数学模型(周末班)
类别:电分课后习题第一章 电力系统的基本概念(周末班)
类别:电分课后习题第七章 电力系统简单故障分析与计算(周末班)
类别:电分课后习题第五章 电力系统无功功率和电压调整 (周末班)
类别:电分课后习题第四章 电力系统有功功率和频率调整(周末班)
类别:电分课后习题第二章 电力系统各元件特性及数学模型(周末班)
类别:电分课后习题第八章 电力系统内部过电机理(周末班)
类别:高压课后习题长理培训客户端 资讯,试题,视频一手掌握
去 App Store 免费下载 iOS 客户端