¥10.00
推荐等级:如图所示,运用叠加定理求得电流I为( )。
A.0.5A
B.-0.5A
C.1.5A
D.-1.5A
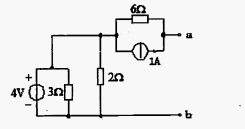
开始考试练习点击查看答案图示电路中,电流I为( )。
A.5A
B.2A
C.4A
D.3A
开始考试练习点击查看答案图示电路中N为纯电阻网络,已知当Us为5V时,U为2V,则Us为7.5V时,U为( )。
A.2V
B.3V
C.4V
D.5V
开始考试练习点击查看答案A.外电路电阻
B.除去独立源后的输入电阻
C.除去独立源和受控源后的输入电阻
D.端口处电压与电流之比
开始考试练习点击查看答案A.
B.
C.
D.
图示电路中,当负载R为( )时负载可获得最大功率,且最大功率为( )。
A.10Ω,W
B.10Ω,W
C.4Ω,W
D.4Ω,W
A.作开路
B.作短路
C.不进行
D.可任意
开始考试练习点击查看答案A.电压源与电阻串联
B.电流源与电阻并联
C.电压源与电阻并联
D.电流源与电阻串联
开始考试练习点击查看答案A.不作用的电压源用开路替代,不作用的电流源用开路替代
B.不作用的电压源用短路替代,不作用的电流源用开路替代
C.不作用的电压源用短路替代,不作用的电流源用短路营代
D.不作用的电压源用开路替代,不作用的电流源用短路营代
开始考试练习点击查看答案A.1A
B.2A
C.3A
D.4A
开始考试练习点击查看答案第一章 电介质的电气特性与电气强度(周末班)
类别:高压课后习题第六章 电力系统故障的基本概念(周末班)
类别:电分课后习题第八章 电力系统稳定性基本概念和同步电机的机电特性(周末班
类别:电分课后习题第三章 电力系统各元件特性及数学模型(周末班)
类别:电分课后习题第一章 电力系统的基本概念(周末班)
类别:电分课后习题第七章 电力系统简单故障分析与计算(周末班)
类别:电分课后习题第五章 电力系统无功功率和电压调整 (周末班)
类别:电分课后习题第四章 电力系统有功功率和频率调整(周末班)
类别:电分课后习题第二章 电力系统各元件特性及数学模型(周末班)
类别:电分课后习题第八章 电力系统内部过电机理(周末班)
类别:高压课后习题长理培训客户端 资讯,试题,视频一手掌握
去 App Store 免费下载 iOS 客户端