¥10.00
推荐等级:A.7.07V
B.5V
C.10V
D.14.14V
开始考试练习点击查看答案一端口网络端电压U=50V,电流I=10A,电压与电流的相位差为53.1°,端口复阻抗Z=R+jX,则电阻R为( )。
A.-3Ω
B.3Ω
C.-4Ω
D.4Ω
开始考试练习点击查看答案A.阻抗三角形
B.电压三角形
C.功率三角形
D.导纳三角形
开始考试练习点击查看答案图示电路中,已知i1=4A,i2=6A,i3=3A,求电流源IS大小为( )。
A.3A
B.5A
C.7A
D.9A
开始考试练习点击查看答案A.Z=
B.Z=R+jѠC
C.Z=R+
D.Z=R-
A.1/17-4/17j
B.0.3+0.3j
C.0.5-0.5j
D.0.5+0.5j
开始考试练习点击查看答案A.单位时间内所储存的电能
B.消耗功率的多少
C.电路中能量交换的规模
D.无用功的多少
开始考试练习点击查看答案A.600
B.800
C.866
D.480
开始考试练习点击查看答案A.0.5
B.0.6
C.0.8
D.1
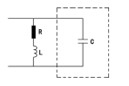
开始考试练习点击查看答案如图所示电路,已知R=3Ω,L=4H,Ѡ=1rad/s。要使功率因数补偿到1,则电容C应为( )F。
A.6.25
B.0.16
C.1
D.2
开始考试练习点击查看答案第一章 电介质的电气特性与电气强度(周末班)
类别:高压课后习题第六章 电力系统故障的基本概念(周末班)
类别:电分课后习题第八章 电力系统稳定性基本概念和同步电机的机电特性(周末班
类别:电分课后习题第三章 电力系统各元件特性及数学模型(周末班)
类别:电分课后习题第一章 电力系统的基本概念(周末班)
类别:电分课后习题第七章 电力系统简单故障分析与计算(周末班)
类别:电分课后习题第五章 电力系统无功功率和电压调整 (周末班)
类别:电分课后习题第四章 电力系统有功功率和频率调整(周末班)
类别:电分课后习题第二章 电力系统各元件特性及数学模型(周末班)
类别:电分课后习题第八章 电力系统内部过电机理(周末班)
类别:高压课后习题长理培训客户端 资讯,试题,视频一手掌握
去 App Store 免费下载 iOS 客户端